AUTOCLAVE ESTERILIZADO HORIZONTAL SAG-48













AUTOCLAVE ESTERILIZADO HORIZONTAL SAG-48
El modelo cumple con todas las normas para el funcionamiento seguro de los equipos, que funcionan a alta presión y también cumple con los estándares técnicos operativos de la Union Europea. Un sistema de calefacción-refrigeración de doble circuito, así como una potente bomba de circulación, proporcionan condiciones óptimas de temperatura de funcionamiento, ya que está equipado con un intercambiador de calor tipo placa (reduce el consumo de agua) con alta eficiencia. Esto permite conectar el autoclave al sistema de intercambio de agua de producción y obtener los indicadores de regulación de temperatura más efectivos.
Soluciones para toda la industria de fabricación de alimentos.
En nuestro catálogo de productos, contamos con una amplia gama de equipos para fabricantes de alimentos en México, Colombia y otros países de América Latina. Ya sea que se dedique a la industria de la carne, los lácteos, alimentos para mascotas o cualquier otra industria, puede encontrar equipos que mejorarán sus resultados y automatizarán sus procesos. También para productores de salchichas, contamos con una amplia gama de clips, lazos y tripas artificiales a los mejores precios del mercado, y lo más importante es que nuestros consumibles son universales y adecuados para cualquier equipo de nuestros competidores.
Las condiciones óptimas de temperatura de funcionamiento están garantizadas por un sistema de calefacción y refrigeración de doble circuito equipado con un intercambiador de calor de placas (reduce el consumo de agua) de alta eficiencia, así como una potente bomba de circulación; esto le permite conectar la autoclave a una producción. sistema de intercambio de agua y obtener los indicadores de termorregulación más efectivos.
Gracias a la eficiencia del sistema de ducha, el proceso de aceleración de temperatura y enfriamiento del producto se produce de manera uniforme a lo largo de toda la longitud de la autoclave, de forma rápida y eficiente.
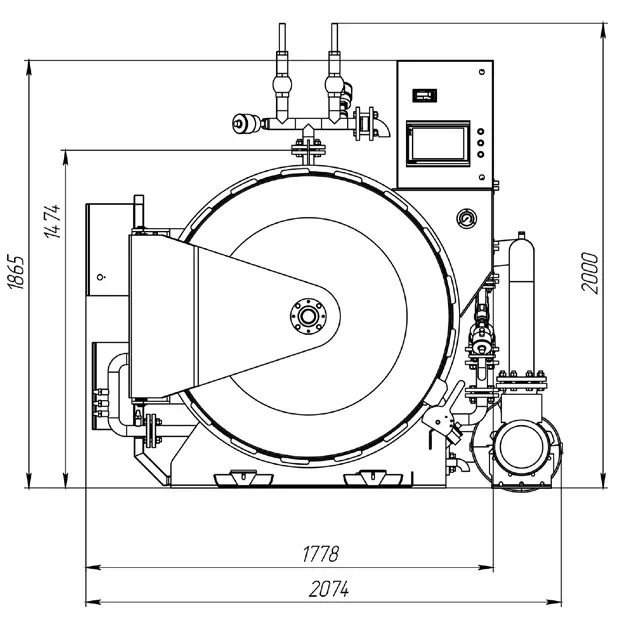
La operación se controla en una pantalla táctil y controlada por una computadora industrial, en la que se pueden almacenar los programas de esterilización y el historial de ciclos anteriores. La interfaz del programa de control se distingue por un alto nivel de usabilidad y coherencia, lo que acelera el proceso de aprendizaje y la facilidad de uso.
La autoclave está equipada con un sistema de seguridad de tres niveles, que impide que la puerta se abra si hay exceso de presión en el interior del recipiente. El sistema de control prevé cortes de energía tanto a corto como a largo plazo; después de su restauración, el sistema ajustará automáticamente el programa de procesamiento del producto.
Fabricado en acero inoxidable AISI 304. El cuerpo del recipiente está recubierto de lana mineral y revestido con chapa de acero inoxidable para garantizar el aislamiento térmico.
El registro de presión y temperatura en la autoclave se realiza automáticamente y se registra en una unidad de memoria. Los parámetros de seguridad del sistema durante la esterilización se controlan simultáneamente de forma eléctrica, mecánica y neumática.
