Limpiador de libros de carne o menudo



Limpiador de libros de carne o menudo
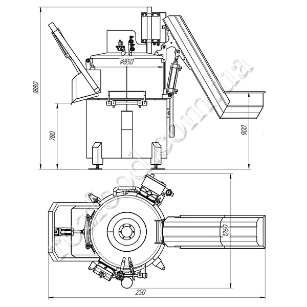
La máquina de limpieza de estómagos y tripas de KOMPO North America Inc. es una máquina de lavado industrial de alto rendimiento cuya función principal es la limpieza eficiente de tripas de res y estómagos. Su diseño y tecnología de limpieza garantizan la eliminación completa de grasa, moco y otros residuos, lo que optimiza la limpieza higiénica y reduce el trabajo manual de los operadores en plantas de procesamiento de carne en México, Colombia y América Latina. Fabricada en acero inoxidable resistente para ofrecer resistencia a la corrosión, fácil mantenimiento y rendimiento duradero. El proceso de limpieza se lleva a cabo mediante chorros de agua a alta presión y mecanismos giratorios que garantizan una limpieza rápida y eficiente, lo que la convierte en una solución indispensable para las plantas de procesamiento de carne en México, Colombia y América Latina.
Características principales:
- Limpieza totalmente automatizada: reduce los costes de mano de obra y aumenta la eficiencia.
- Sistema de lavado a alta presión: garantiza la eliminación completa de los contaminantes.
- Construcción de acero inoxidable: duradera, resistente a la corrosión e higiénica.
- Optimizada para el cumplimiento de la seguridad alimentaria: cumple con las normas HACCP, USDA y FDA.
- Ajustes de limpieza regulables: personalizables para diferentes necesidades de procesamiento.
- Sistema de ahorro de agua: reduce el consumo manteniendo altos estándares de higiene.
- Ideal para plantas procesadoras de carne en México, Colombia y América Latina.
La Beef Rack and Stomach Cleaner de KOMPO North America Inc. es una máquina de lavado industrial de alto rendimiento cuya función principal es la limpieza eficiente de tripas de vaca y estómagos. Su diseño y tecnología de limpieza garantizan la eliminación completa de grasa, moco y otros residuos, optimizando la limpieza higiénica y reduciendo el trabajo manual de los operarios en plantas de procesamiento de carne en México, Colombia y América Latina.. Fabricado en acero inoxidable resistente para ofrecer resistencia a la corrosión, fácil mantenimiento y rendimiento duradero. El proceso de limpieza se lleva a cabo mediante chorros de agua a alta presión y mecanismos giratorios que garantizan una limpieza rápida y eficiente, lo que la convierte en una solución indispensable para las plantas de procesamiento de carne en México, Colombia y América Latina..
Características principales:
- Limpieza totalmente automatizada: reduce los costes de mano de obra y aumenta la eficiencia.
- Sistema de lavado a alta presión: garantiza la eliminación completa de los contaminantes.
- Construcción de acero inoxidable: duradera, resistente a la corrosión e higiénica
- Optimizada para el cumplimiento de la seguridad alimentaria: cumple con las normas HACCP, USDA y FDA
- Ajustes de limpieza regulables: personalizables para diferentes necesidades de procesamiento
- Sistema de ahorro de agua: reduce el consumo manteniendo altos estándares de higiene
- Ideal para plantas de procesamiento de carne en Canadá y EE. UU.











